Agricolo
Motori elettrici DC per il settore agricolo: comfort e sicurezza in applicazioni agricole.

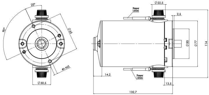
I motori M-77-X sono motori elettrici privi di filtro antidisturbo e in più le spazzole possono essere sostituite.
Le spazzole sostituibili permettono di allungare la vita del motore. È possibile sostituirle rimuovendo il particolare in plastica avvitato sul cassetto portaspazzole.
Di seguito sono riportati i dati elettrici con le prestazioni di questa gamma per le tensioni più comunemente utilizzate, 12V e 24V.
Inoltre sono presenti anche i dati meccanici e un disegno tecnico di un prodotto standard di questa gamma, in alternativa è possibile richiedere la quotazione con le modifiche desiderate dall’apposito form.
Motori elettrici DC per il settore agricolo: comfort e sicurezza in applicazioni agricole.
Macchine da caffè, yogurt, pasticceria, smielatori e spremiagrumi efficienti e produttivi.
Funzionalità e comfort negli ambienti domestici con poltrone e letti reclinabili.
Ottimizzazione dei processi automatizzati, sistemi di assemblaggio.
Soluzioni su misura per migliorare efficienza, produttività e automazione nei processi industriali.
Motori elettrici DC per il settore medicale: comfort e sicurezza in applicazioni medicali.
Motori elettrici DC per il settore nautico: comfort e sicurezza in applicazioni nautiche.
Ambienti di lavoro con scrivanie regolabili in altezza per comfort e produttività.
Motori elettrici DC per sistemi di apertura: comfort e sicurezza in applicazioni di automazione cancelli e serrande.
Macchine da caffè, yogurt, pasticceria, smielatori e spremiagrumi efficienti e produttivi.
| Standard nominal voltage | 12 V | 24 V |
| No load speed N0 [Rpm] | 1000÷6000 | 1500÷6000 |
| No load current I0 [A] | 1÷4 | 0,5÷2 |
| Nominal speed Nn [Rpm] | 800÷5800 | 1300÷5800 |
| Nominal torque Mn [Nm] | 0,03 | 0,05 |
| Nominal current In [A] | 1,5÷8 | 0,8÷4 |
| Nominal power Pn [W] | 5÷20 | 8÷25 |
| Stall torque Ms [Nm] | 1,30÷3 | 1,30÷3,50 |
| Starting current Is [A] | 18÷120 | 9÷60 |
| Max power Pmax [W] | 60÷350 | 60÷400 |
| Max efficiency ηmax [%] | 50÷80 | 50÷80 |
| Gears materials | - |
| Gear ratio | - |
| Type of duty | S3 ( dipende dai parametri di utilizzo ) |
| Weight [kg] | 1,80 |
