Agricolo
Motori elettrici DC per il settore agricolo: comfort e sicurezza in applicazioni agricole.

I motori M-42-P sono motori elettrici dotati di filtro antidisturbo ed hanno prestazioni maggiori rispetto ai motori M-42, grazie al rotore e magneti più lunghi consentono di aumentare la coppia massima, migliorando quindi l’efficienza a carico.
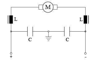
Il filtro antidisturbo, generalmente costituito da un circuito LC consente ai motori elettrici di essere testati in conformità alle direttive EMC.
Di seguito sono riportati i dati elettrici con le prestazioni di questa gamma per le tensioni più comunemente utilizzate, 12V e 24V.
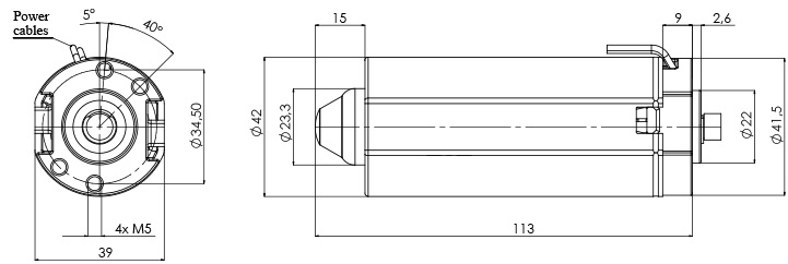
Inoltre sono presenti anche i dati meccanici e un disegno tecnico di un prodotto standard di questa gamma, in alternativa è possibile richiedere la quotazione con le modifiche desiderate dall’apposito form.
Motori elettrici DC per il settore agricolo: comfort e sicurezza in applicazioni agricole.
Macchine da caffè, yogurt, pasticceria, smielatori e spremiagrumi efficienti e produttivi.
Funzionalità e comfort negli ambienti domestici con poltrone e letti reclinabili.
Ottimizzazione dei processi automatizzati, sistemi di assemblaggio.
Soluzioni su misura per migliorare efficienza, produttività e automazione nei processi industriali.
Motori elettrici DC per il settore medicale: comfort e sicurezza in applicazioni medicali.
Motori elettrici DC per il settore nautico: comfort e sicurezza in applicazioni nautiche.
Ambienti di lavoro con scrivanie regolabili in altezza per comfort e produttività.
Motori elettrici DC per sistemi di apertura: comfort e sicurezza in applicazioni di automazione cancelli e serrande.
Macchine da caffè, yogurt, pasticceria, smielatori e spremiagrumi efficienti e produttivi.
| Standard nominal voltage | 12 V | 24 V |
| No load speed N0 [Rpm] | 1500÷8000 | 2500÷8000 |
| No load current I0 [A] | 0,6÷3 | 0,6÷2 |
| Nominal speed Nn [Rpm] | 1200÷7800 | 2200÷7600 |
| Nominal torque Mn [Nm] | 0,03 | 0,06 |
| Nominal current In [A] | 1÷4 | 1÷3 |
| Nominal power Pn [W] | 7,5÷25 | 7,5÷25 |
| Stall torque Ms [Nm] | 0,3÷0,7 | 0,33÷1,10 |
| Starting current Is [A] | 6÷60 | 3÷30 |
| Max power Pmax [W] | 18÷150 | 18÷180 |
| Max efficiency ηmax [%] | 50÷80 | 50÷80 |
| Gears materials | - |
| Gear ratio | - |
| Type of duty | S3 ( dipende dai parametri di utilizzo ) |
| Weight [kg] | 0,55 |

