Agricolo
Motori elettrici DC per il settore agricolo: comfort e sicurezza in applicazioni agricole.

I motoriduttori GML59-41,5-Z2 sono dotati di filtro antidisturbo. L’albero del rotore ha una dentatura a due principi.
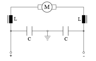
Il filtro antidisturbo, generalmente costituito da un circuito LC consente ai motori elettrici di essere testati in conformità alle direttive EMC.
Nella scheda tecnica è possibile selezionare il perno di uscita del riduttore e richiedere un particolare cablaggio, indicandolo nel form per le richieste.
Nella tabella Dati elettrici è indicato il range di tensioni di utilizzo e sono poi elencate le prestazioni per le tensioni più comunemente utilizzate, 12V e 24V.
La curva interattiva permette di scegliere le prestazioni richieste selezionando tensione di alimentazione e velocità a vuoto.
Motori elettrici DC per il settore agricolo: comfort e sicurezza in applicazioni agricole.
Macchine da caffè, yogurt, pasticceria, smielatori e spremiagrumi efficienti e produttivi.
Funzionalità e comfort negli ambienti domestici con poltrone e letti reclinabili.
Ottimizzazione dei processi automatizzati, sistemi di assemblaggio.
Soluzioni su misura per migliorare efficienza, produttività e automazione nei processi industriali.
Motori elettrici DC per il settore medicale: comfort e sicurezza in applicazioni medicali.
Motori elettrici DC per il settore nautico: comfort e sicurezza in applicazioni nautiche.
Ambienti di lavoro con scrivanie regolabili in altezza per comfort e produttività.
Motori elettrici DC per sistemi di apertura: comfort e sicurezza in applicazioni di automazione cancelli e serrande.
Macchine da caffè, yogurt, pasticceria, smielatori e spremiagrumi efficienti e produttivi.
| Standard nominal voltage | 12 V | 24 V |
| No load speed N0 [Rpm] | 140÷250 | 140÷250 |
| No load current I0 [A] | 1,60÷2,90 | 0,80÷1,45 |
| Nominal speed Nn [Rpm] | 149÷249 | 137,50÷247,50 |
| Nominal torque Mn [Nm] | 0,20 | 0,60 |
| Nominal current In [A] | 1,90÷3,40 | 1,20÷2,20 |
| Nominal power Pn [W] | 2,90÷5,20 | 8,60÷15,50 |
| Stall torque Ms [Nm] | 32,30÷58,80 | 32,30÷58,80 |
| Starting current Is [A] | 47÷151 | 23,50÷75,50 |
| Max power Pmax [W] | 121÷385 | 121÷385 |
| Max efficiency ηmax [%] | 59÷65 | 59÷65 |
| Gears materials | Plastica |
| Gear ratio | 2:73 |
| Type of duty | S3 ( dipende dai parametri di utilizzo ) |
| Weight [kg] | 1,15 |

