Agricolo
Motori elettrici DC per il settore agricolo: comfort e sicurezza in applicazioni agricole.

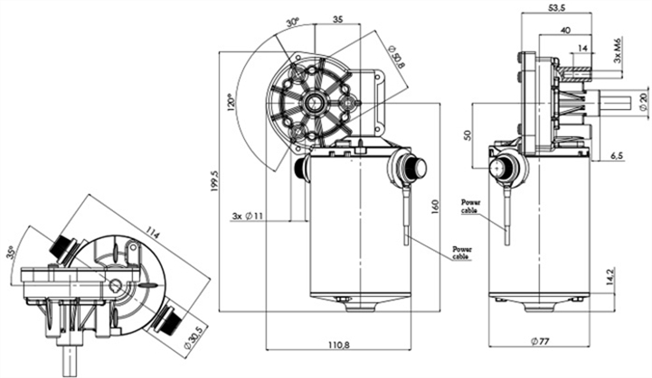
I motoriduttori GML-77-35-Z2-X-H non hanno filtro antidisturbo e le spazzole possono essere sostituite. L’albero del rotore ha una dentatura a due principi.
Il sensore di Hall fornisce un segnale che permette di contare il numero di giri effettuati dal motore. Con due sensori di Hall è possibile determinare anche il verso di rotazione del motore elettrico.
Le spazzole sostituibili permettono di allungare la vita del motore e si sostituiscono rimuovendo il particolare in plastica avvitato sul cassetto portaspazzole.
Nella scheda tecnica è possibile selezionare il perno di uscita del riduttore e richiedere un particolare cablaggio, indicandolo nel form per le richieste.
Nella tabella “Dati elettrici” è indicato il range di tensioni di utilizzo e sono poi elencate le prestazioni per le tensioni più comunemente utilizzate, 12V e 24V.
La curva interattiva permette di scegliere le prestazioni richieste selezionando tensione di alimentazione e velocità a vuoto.
Motori elettrici DC per il settore agricolo: comfort e sicurezza in applicazioni agricole.
Macchine da caffè, yogurt, pasticceria, smielatori e spremiagrumi efficienti e produttivi.
Funzionalità e comfort negli ambienti domestici con poltrone e letti reclinabili.
Ottimizzazione dei processi automatizzati, sistemi di assemblaggio.
Soluzioni su misura per migliorare efficienza, produttività e automazione nei processi industriali.
Motori elettrici DC per il settore medicale: comfort e sicurezza in applicazioni medicali.
Motori elettrici DC per il settore nautico: comfort e sicurezza in applicazioni nautiche.
Ambienti di lavoro con scrivanie regolabili in altezza per comfort e produttività.
Motori elettrici DC per sistemi di apertura: comfort e sicurezza in applicazioni di automazione cancelli e serrande.
Macchine da caffè, yogurt, pasticceria, smielatori e spremiagrumi efficienti e produttivi.
| Standard nominal voltage | 12 V | 24 V |
| No load speed N0 [Rpm] | 70÷220 | 70÷220 |
| No load current I0 [A] | 0,70÷2,30 | 0,37÷1,15 |
| Nominal speed Nn [Rpm] | 64,60÷214,60 | 63,50÷213,50 |
| Nominal torque Mn [Nm] | 1,80 | 2,20 |
| Nominal current In [A] | 2,20÷6,90 | 1,30÷4 |
| Nominal power Pn [W] | 2,20÷40,40 | 14,60÷49,50 |
| Stall torque Ms [Nm] | 23÷73 | 23÷73 |
| Starting current Is [A] | 19,50÷189 | 9,75÷94,50 |
| Max power Pmax [W] | 43÷422 | 43÷422 |
| Max efficiency ηmax [%] | 51÷60 | 51÷60 |
| Gears materials | Plastica |
| Gear ratio | 2:47 |
| Type of duty | S3 ( dipende dai parametri di utilizzo ) |
| Weight [kg] | 2,00 |
