Agricolo
Motori elettrici DC per il settore agricolo: comfort e sicurezza in applicazioni agricole.

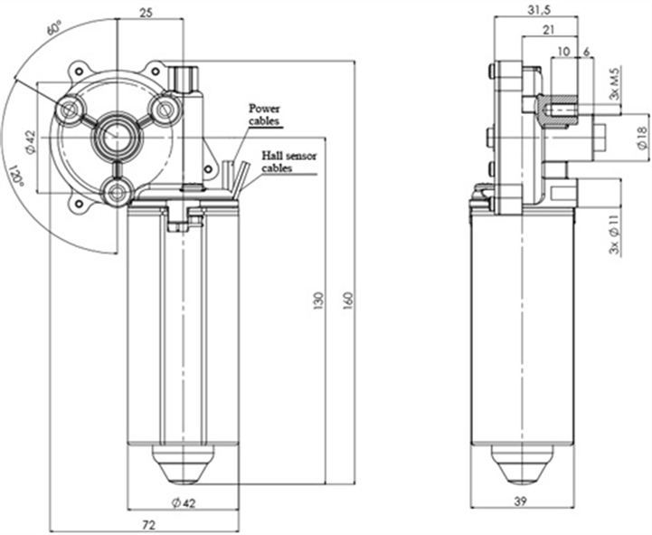
I motoriduttori GML42P-25-Z1-H sono dotati di filtro antidisturbo, di circuito con uno o due sensori di hall ed hanno prestazioni maggiori rispetto ai motoriduttori GML42-25-Z1-H grazie a rotore e magneti più lunghi. L’albero del rotore ha una dentatura a un principio.
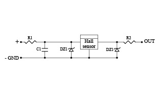
Rotore e magneti più lunghi consentono di aumentare la coppia massima, migliorando quindi l’efficienza a carico, mentre il sensore di Hall fornisce un segnale che permette di contare il numero di giri effettuati dal motore. Con due sensori di Hall è possibile determinare anche il verso di rotazione del motore elettrico.
Grazie al filtro antidisturbo, generalmente costituito da un circuito LC, i motori elettrici possono essere testati in conformità alle direttive EMC.
Nella scheda tecnica è possibile selezionare il perno di uscita del riduttore, il circuito con uno o due sensori di Hall e richiedere un particolare cablaggio, indicandolo nel form per le richieste.
Nella tabella “Dati elettrici” è indicato il range di tensioni di utilizzo e sono poi elencate le prestazioni per le tensioni più comunemente utilizzate, 12V e 24V.
Motori elettrici DC per il settore agricolo: comfort e sicurezza in applicazioni agricole.
Macchine da caffè, yogurt, pasticceria, smielatori e spremiagrumi efficienti e produttivi.
Funzionalità e comfort negli ambienti domestici con poltrone e letti reclinabili.
Ottimizzazione dei processi automatizzati, sistemi di assemblaggio.
Soluzioni su misura per migliorare efficienza, produttività e automazione nei processi industriali.
Motori elettrici DC per il settore medicale: comfort e sicurezza in applicazioni medicali.
Motori elettrici DC per il settore nautico: comfort e sicurezza in applicazioni nautiche.
Ambienti di lavoro con scrivanie regolabili in altezza per comfort e produttività.
Motori elettrici DC per sistemi di apertura: comfort e sicurezza in applicazioni di automazione cancelli e serrande.
Macchine da caffè, yogurt, pasticceria, smielatori e spremiagrumi efficienti e produttivi.
| Standard nominal voltage | 12 V | 24 V |
| No load speed N0 [Rpm] | 30÷120 | 30÷120 |
| No load current I0 [A] | 0,40÷1,70 | 0,20÷0,85 |
| Nominal speed Nn [Rpm] | 27÷117 | 24÷114 |
| Nominal torque Mn [Nm] | 0,90 | 1,70 |
| Nominal current In [A] | 0,80÷3,20 | 0,60÷2,30 |
| Nominal power Pn [W] | 2,50÷11 | 4,30÷20,30 |
| Stall torque Ms [Nm] | 8,20÷34,20 | 8,20÷34,20 |
| Starting current Is [A] | 3,80÷58,50 | 1,90÷29,30 |
| Max power Pmax [W] | 6,90÷110 | 6,90÷110 |
| Max efficiency ηmax [%] | 32÷44,80 | 32÷44,80 |
| Gears materials | Plastica |
| Gear ratio | 1:62 |
| Type of duty | S3 ( dipende dai parametri di utilizzo ) |
| Weight [kg] | 0,72 |


