Büro
Arbeitsumgebungen mit höhenverstellbaren Schreibtischen für mehr Komfort und Produktivität.

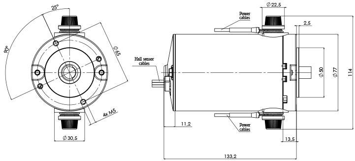
Die M-77-X-Motoren sind Elektromotoren ohne Geräuschfilter und die Bürsten können ausgetauscht werden. Zusätzlich sind die Motoren mit einem oder zwei Hallsensorschaltungen ausgestattet.
Auswechselbare Bürsten verlängern die Lebensdauer des Motors. Sie können durch Entfernen des auf den Bürstenhalter geschraubten Kunststoffteils ausgetauscht werden.
er Hallsensor liefert ein Signal, das es ermöglicht, die Anzahl der vom Motor absolvierten Umdrehungen zu zählen.
Mit zwei Hall-Sensoren ist ebenfalls möglich, die Drehrichtung des Elektromotors zu bestimmen.
Dank der Funkentstörung, die gewöhnlich aus einer LC-Platine besteht, können die Elektromotoren nach den Bestimmungen der EMV-Richtlinien getestet werden.
Nachfolgend finden Sie die elektrischen Daten mit den Leistungen dieser Baureihe für die am häufigsten verwendeten Spannungen, 12 V und 24 V.
Darüber hinaus gibt es auch mechanische Daten und eine technische Zeichnung eines Standardprodukts dieser Baureihe, alternativ können Sie über das entsprechende Formular ein Angebot mit den gewünschten Änderungen anfordern.
Arbeitsumgebungen mit höhenverstellbaren Schreibtischen für mehr Komfort und Produktivität.
Leistungsstarke und produktive Kaffeemaschinen, Joghurtmaschinen, Konditoreimaschinen, Honigschleudern und Zitruspressen.
Funktionalität und Komfort im Wohnbereich – mit motorisierten Relaxsesseln und verstellbaren Betten.
Optimierung automatisierter Prozesse, industrielle Robotik, Montagesysteme.
Maßgeschneiderte Lösungen zur Verbesserung von Effizienz, Produktivität und Automatisierung in industriellen Prozessen.
Gleichstromelektromotoren für den Agrarsektor: Komfort und Sicherheit in landwirtschaftlichen Anwendungen
Gleichstromelektromotoren für den nautischen Bereich: Komfort und Sicherheit auf See.
Gleichstromelektromotoren für den medizinischen Sektor: Komfort und Sicherheit in medizinischen Anwendungen.
Gleichstromelektromotoren für Öffnungssysteme: Komfort und Sicherheit bei der Automatisierung von Toren und Rolltoren.
Kaffeemaschinen, Joghurtspender, Gebäckautomaten, Honigentleerer und Zitruspressen – effizient und leistungsstark.
| Standard nominal voltage | 12 V | 24 V |
| No load speed N0 [Rpm] | 1000÷6000 | 1500÷6000 |
| No load current I0 [A] | 1÷4 | 0,5÷2 |
| Nominal speed Nn [Rpm] | 800÷5800 | 1300÷5800 |
| Nominal torque Mn [Nm] | 0,03 | 0,05 |
| Nominal current In [A] | 1,5÷8 | 0,8÷4 |
| Nominal power Pn [W] | 5÷20 | 8÷25 |
| Stall torque Ms [Nm] | 1,30÷3 | 1,30÷3,50 |
| Starting current Is [A] | 18÷120 | 9÷60 |
| Max power Pmax [W] | 60÷350 | 60÷400 |
| Max efficiency ηmax [%] | 50÷80 | 50÷80 |
| Gears materials | |
| Gear ratio | - |
| Type of duty | S3 (abhängig von den Betriebsparametern)<br> <br> <br> |
| Weight [kg] | 1,85 |

